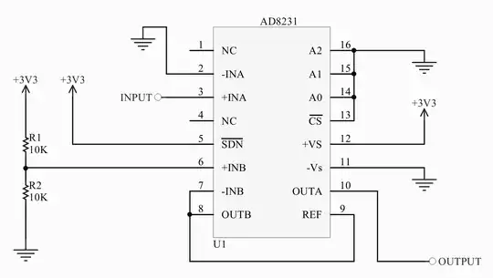
I am using AD8231 instrumentation amplifier in unity gain configuration. I used the inbuilt op-amp to provide reference voltage as the datasheet suggests. A 4.4kHz sine wave generated with my professional signal generator (PC sound card) is fed into the non-inverting input of the in-amp.

Channel one is the input signal and channel two is the output of the in-amp. For some reason the output clamps near the reference voltage (1.6V).

The circuit is built on a breadboard and I haven't used decoupling and filtering capacitors since I'm prototyping. Here is a photo of the breadboard in case it helps:

-INAinput and also center the input signal around that voltage (for example, by ac-coupling), you should be able to get the results you want. – The Photon Apr 22 '15 at 22:38REFinput probably only affects the last stage of the amplifier. The input stages most likely are not affected at all by what you do wit theREFinput. – The Photon Apr 22 '15 at 22:39