I've done quite a bit of searching here and on Google, but I think I still need help.
Using either of these power supplies: 12V 1A or 5V 2A
How can I build a circuit to drive a laser diode with optimal specs of 3.1 V at 400 mA? I purchased via eBay, and the description specifically says ML101U29 laser diode. I found a data sheet for it. It is inside a casing, inside a heatsink.
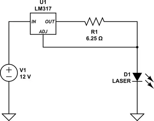
I'm an electronics newbie and am still grappling with how electricity works and how to shape it in this manner. What I've learned so far is that the LM317 is a go-to part for power supplies/drivers. In fact, I even have an LM317-based circuit pre-assembled. I can adjust it to get ~3 volts out of it (measured via multimeter), but have no idea how to control or limit the mA to ensure my laser doesn't burn up, and unfortunately it does not provide detailed specs. In my testing, I was able to light the laser, but even after focusing, did not seem to generate much heat.
I also found this power supply kit from Adafruit that will output adjustable or 3.3 volts (very close to target). But, it let's through 1.25 A--way too much for my diode. My understanding is that I should be able to use a resistor to limit the 1.25 A to 400 mA, but I am uncertain if my understanding is accurate.
So, I'm reaching out to experts. What would you suggest? Thank you!
UPDATE: I ended up using a driver board I already had and just turning it up. I don't know what the true voltage going through the laser is, or the current, but it works. I turned it up very slowly to get to burning capability without frying the laser. I use an LM317 Adjustable Module pre-assembled, available from a few online retailers. The most interesting thing so far is that it requires a lot more current to burn light-colored wood. Using a marker to color it black results in a burn at a lower power, but is useless because it's black on black.
