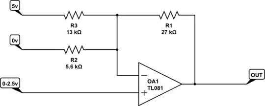
First let's remove the fluff. The 20K and 6.8K are there so that if the input becomes disconnected, the output will be approximately zero (because the effective input will be 1.268V, which is fairly close to presumed mid-scale of 1.25V.
The gain of this circuit is \$1 + \dfrac{27K}{13K || 5.6K} = +7.90\$
For the offset, assume the input is mid-scale of 1.25V and add up the currents at the inverting input.
$$V_o = 1.25V + \Big(\frac{1.25V}{5.6K} - \frac{5V - 1.25V}{13K} \Big) \cdot 27K = -0.51V$$
So the nominal transfer function is:
$$V_o = 7.90 \cdot (V_{in} - 1.25V) - 0.51V $$
You don't necessarily need to modify the reference voltage, just the resistor values of the 13K, 27K and 5.6K, and since only the ratio matters, you really only need to modify two of them.
I'll leave the algebra to you, but as you can see it's pretty straightforward.
Edit: Okay, I scratched the algebra out for you (and future readers):

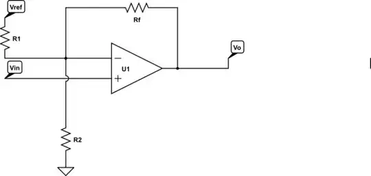
simulate this circuit – Schematic created using CircuitLab
Let's assume we pick Rf to be something reasonable, Vref is given, then we want to calculate R1 and R2. We know the change in output \$\Delta\$Vo for change in input \$\Delta\$Vin and the output Vo(0) when the input is 0V.
\$R1 = -\dfrac{V_{REF} R_F}{V_O(0)}\$
\$R2 = \dfrac{R_1 R_F}{R_1 \Big[\dfrac{\Delta V_O}{\Delta V_{IN}} - 1 \Big] - R_F}\$
Plugging in the values for the above problem, Rf = 27K, \$\Delta\$Vo = 20V, \$\Delta\$Vin = 2.5V, Vref = 5.0V, Vo(0) = -10V
So,
\$R1 = \dfrac{27K}{2} = 13.5K \$
\$R2 = \dfrac{13.5 \cdot 27}{13.5 \cdot 7 - 27} = 5.4K \$
Personally, I would probably use 32.4K, 16.2K and 6.49K 1% (or better if higher accuracy was required).
You can easily plug the appropriate values in for your 3.3V problem.