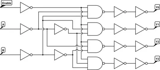
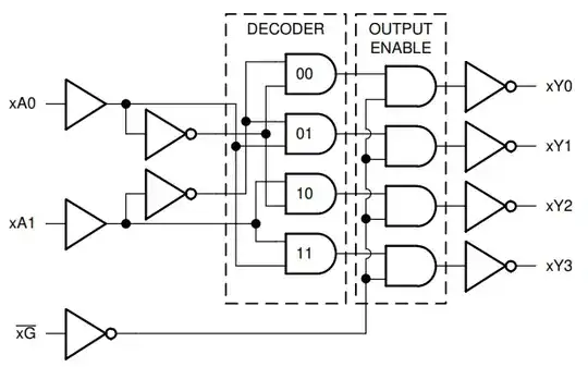
I have recently been looking at the datasheets for the 74HC139 IC in order to see if it was suitable for my project, and have come across the following logic diagram which strikes me as a little bit odd:

simulate this circuit – Schematic created using CircuitLab
For each of the inputs Yn, there are two NOT gates after the triple-input NAND gate; I don't understand why this is necessary as simple boolean logic tells us:
$$\overline{\overline{A}}\equiv A\qquad \forall A \in \{\text{TRUE}, \text{FALSE}\}$$
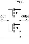
Therefore I am assuming there is some electronic based reason why there are two inverters before the output? I have heard not gates called Inverting buffers before, and these supposedly isolate the circuit before and after, however, I cannot claim to understand the use of this so I'd appreciate any enlightenment!




