11

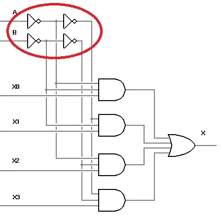
Why cascaded inverters are used in the multiplexer when it is possible to realize the circuit using a single inverter.

enter image description here

tollin jose
  • 3,142
  • 9
  • 36
  • 54

1 Answers1

13

The front inverters are used to buffer the input signal. Without the front inverters inputs A and B would be 3 load units each instead of 1, since you would have to drive both the rear inverters as well as both of the and gates used with the input's term in the multiplexer logic.

Ignacio Vazquez-Abrams
  • 48,488
  • 4
  • 73
  • 103