Yes, all "Decora" style devices share the same cover plate opening, within a couple of thousandths of an inch (+/-.005" or so). GFCI receptacles also fit this description, as well as many dimmers, timers and "smart switches".
For instance the opening on a Hubbell plate is 1.312"x2.625", while these Leviton are slightly different, but all within a reasonable spec to be called the same.

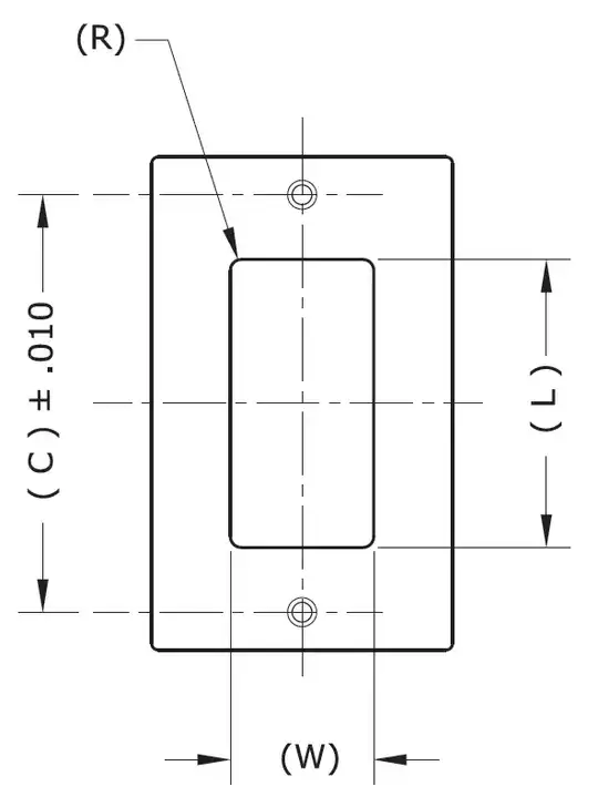
NEMA WD 6-2016, page 5 says:

W: 1.310 (min)
L: 2.630 (min)
R: 0.094 (0.079 347V)
C: 3.812 (4.062 347V) +/- 0.010 (counter-sunk for #6-32 UNC oval head machine screw)
Application (Face of device): 1.300 (max) W x 2.620 (max) L
page iv notes:
(#1) dimensions are in inches
(#2) tolerances are +/- 0.005
(#10) dimensions are for interchangeability and do not preclude other designs.