2

We've inherited a leaky bath tap which needs to be removed.

enter image description here

It's proving very difficult to get any sort of purchase on the circular fascia - has anyone got any bright ideas for how to get this off? I'm hoping there will be some mounting bolts accessible, once its off, to facilitate its removal.

FreeMan
  • 47,262
  • 25
  • 88
  • 193
maxp
  • 121
  • 4
  • 2
    Usually fasten two ways, either a set screw, probably on the bottom(hard to see) or just with caulking/sealer, just need to run a razor blade or similar around the back side. – crip659 Dec 26 '22 at 00:58
  • If you have any more questions after my answer let me know. – Traveler Dec 26 '22 at 08:18
  • 1
    The maker has a UK customer help line. https://www.bigbathroomshop.co.uk/contact-us Hopefully they will let you send them a picture, identify the model and send you the manual that will tell you how the taps are held together. – jay613 Jan 26 '23 at 13:55

2 Answers2

3

If water is leaking out of the spout, you can replace a faulty cartridge by removing the small cap at the top of the valve handle and then remove the screw holding the handle in place. You should then be able to pull the handle off and twist/pry the wall flange off exposing the cartridge. Remove the cartridge with an adjustable wrench and get a replacement cartridge from your home store or plumbing supply store.

If your goal is to remove/replace the entire faucet, remove the handles and wall flanges as described above. The spout needs to be turned counterclockwise and unscrewed from the valve. The actual base will have to be removed from behind the wall, hopefully through an access panel or by removing the tile.

JACK
  • 80,300
  • 19
  • 72
  • 190
  • Hard to be certain, but it looks like there's a cap (pointed to by the arrow) that needs to be removed to expose a screw to undo the handle. This answer actually provides instructions on how to remove the faucet and fix it. Thanks! – FreeMan Jan 26 '23 at 13:38
0

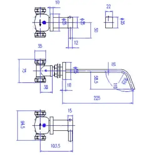
What you have is the HUDSON REED CLIO > 3 FAUCET HOLE WALL MOUNTED BATH MIXER FAUCET.

This drawing shall help you how it is assembled

faucet

The leak comes from one of the valves.

Remove the top part which will expose the valve that you can unscrew and replace/repair.

It basically looks like this

nut

Traveler
  • 17,239
  • 2
  • 17
  • 41
  • @keshlam rather than useless personal attack try to make yourself more useful and answer the question, after I correctly identified the model. Anyone that can read a drawing can see how to disassemble, can you ? – Traveler Dec 26 '22 at 05:22
  • 4
    I don't see how the drawing shows how to disassemble the faucet either. If you can tell @ruskes, can you please tell the rest of us. – RMDman Dec 26 '22 at 05:35
  • Identifying the model is helpful. Copying a few more words from the installation instructions to explain the process would make your answer far more useful to someone actually trying to complete the task -- especially since the reader is likely to be a novice and needs instructions they can follow. – keshlam Dec 26 '22 at 06:16
  • @keshlam explaining it to you is waste of my time. Let's see if OP who has to do the work has a question, or needs more instructions. – Traveler Dec 26 '22 at 06:27
  • That's fair. And apologies for the accusation;. Iwas seeing what I thought was a pattern that matches the signature of responses written by the large language models, and there is a problem of folks turning those loose on public discussions to see how long it takes for someone to notice. But I shouldn't have posted that thought here. Feel free to kit the "flag for review" button and ask the moderators to zap this comment thread and tell me to take a time-out; I deserve it. – keshlam Dec 26 '22 at 12:15
  • 2
    How do you do this: "Remove the cover" – Yehuda_NYC Dec 26 '22 at 16:09
  • I am guessing it's a press fit, and should slide off with a bit of prying to get it started. But, yeah, that's worth editing in for clarity. – keshlam Dec 26 '22 at 16:17
  • (And many thanks for adding the clarification. For some reason I just wasn't parsing the nut on the blueprint Upvoting.) ((When tired I can be an officious ass, but at least I know it and accept bring called on it. )) – keshlam Dec 26 '22 at 16:18
  • 1
    Drawing looks to me like it has threads on the spout. https://www.hudsonreed.co.uk/pdf/a/420/3TH%20Basin%20%26%20Bath%20Mixer_fi.pdf Maybe the problem is that the cover plate has been "glued" in place with caulk, per the instructions. – Huesmann Jan 26 '23 at 12:57