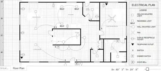
I am doing electrical work in my own home. Primarily replacing old sockets and fixtures. Through the course of this work I am finding odd, but not unsafe, wiring paths. I want to document these paths so that I can develop a plan to improve them. I also want to document my own work to help the next guy who does work in my house.
What is the diagramming style or name for the plan that an electrician would use in a residential home in the US?
I want to know what this is called so that I can then tell myself, "I need to make a $TERM diagram". I can then acquire the right rulers, templates, and graph paper to make those diagrams.


