My attic has a ceiling light controlled by two 3 way switches connected with BX 14/3. Source and light wires were old knob & tube now replaced with Romex 14/2.
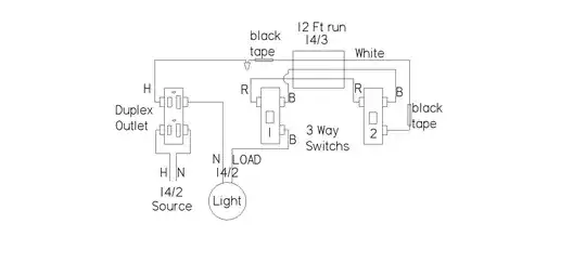
The duplex outlet is a new addition. The attached diagram is how I thought it could be wired. The duplex and switch 1 will be in one box. Romex 14/2 from source and light and BX will enter the box.
The diagram shows source connected to duplex. Then a short black wire runs from other duplex hot terminal, wire nutted to BX white wire with black tape, to common on switch 2. Load runs from common on switch 1 to light. I didn’t show ground wires to keep diagram simple, but everything will be grounded.
