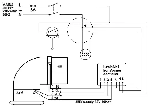
My bathroom light is not working but the extractor fan via the same cord fitting is. I replaced the cord fitting and checked there's current running through both wires when it is turned on.
I then checked the transformer in the halway which controls power to the light and fan. I checked with a voltage screwdriver and it picks up voltage to both the fan wires when the light is switched on but only the brown wire on the light, not the blue wire.
I asume there's an issue with the transformer as, is it easy to fix? It looks like an old model so not sure I could get a replacement, it says 'vent axia selv 12' on the outside.
Thanks
