It sounds as if the design process has already gone through manufacture of the aeroplane and through flight testing, which is a very late stage to re-design the complete main wing geometry and structure. There are some items open to interpretation in your question, let's consider two cases:
1. Stick fixed static stability

Assuming that the design in question is not a tailless one, the best approach is to work on the secondary control parameters:
- tail volume - increase horizontal tail area $S_h$ or tail length $l_h$;
- stabiliser incidence angle - increase maximum deflection angle as it may be in the wake of the fuselage or main wing;
- flaps - deflecting them results in a nose-down $C_m$
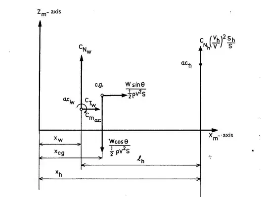
After some simplifying assumptions, the moment equation in glide becomes:
$$C_m = C_{m_{ac}} + C_{N_W} \cdot \frac{x_{cg} - x_W}{\bar{c}} - C_{N_h} {\left( \frac{V_h}{V} \right)}^2 \frac{S_h \cdot l_h}{S \cdot \bar{c}} = 0$$
So the three variables that can be adjusted are
- $C_{m,ac}$
- location of the centre of gravity
- tail volume $S_h \cdot l_h$

For stability, $dC_m/d\alpha$ < 0. The graph above shows the contributions to $dC_m/d\alpha$ from wind tunnel measurements on a Fokker 27 model. The (unswept) wing has a small contribution, introducing wing sweep and twist would help stability - but would be totally out of context for the F27 mission. The main contribution to stability of the model is from the horizontal tail.
2. Back end of the power curve
Image source
At the back end of the power curve ($V_1$ point A in above graph), there is more power required when the aircraft slows down. The airspeed does not automatically self-correct after a disturbance from a horizontal wind gust, but requires constant monitoring and additional power inputs.
The solution: more available power at low speeds, or a lower wing loading. At high wing loading the $C_L$ of the wing is high, causing the steep rise at the left side of the Power Required curve. Flaps increase $C_L$, and Fowler flaps also expand the wing area during approach.