22

This answer says:

If let's say, you [...] disengage the electricity generator of every engine (which cannot be re-engaged without mechanical maintenance), [...].

  • What exactly happens in the aircraft when disengaging the generators and what benefit does it have to be not able to engage them again?
  • Is it only the B747 that works like that or also other Airliners?
Noah Krasser
  • 8,992
  • 3
  • 50
  • 100
  • 2
    Speculation, but to re-engage them in flight would require a clutch mechanism (with added complexity and weight). For something that is rarely used, a disconnect-only mechanism that can be rejoined when the engine is stopped is probably cheaper and lighter. – BowlOfRed May 31 '17 at 18:46
  • 5
    Re-engaging a disconnected drive, if you could do it, would risk again incurring the problem for which it was disconnected. Since you've got three other generators, better to not take that risk I would think. – Terry May 31 '17 at 19:24
  • @Terry In general I'd agree, but do note that OP's quote says every engine. So you've got zero generators running. – user Jun 01 '17 at 14:03
  • @MichaelKjörling Ah, another senior moment on my part. As they say, RTFQ. – Terry Jun 01 '17 at 14:08

3 Answers3

16

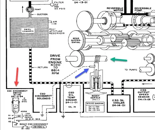
This is how it works on all aircraft with a Constant Speed Drive (CSD) Generator or an Integrated Drive Generator (IDG) - doesn't matter who the airframe maker is.

When you press the disconnect button (the red arrow), the disconnect circuit is completed and the solenoid pulls the pin out of the pinion shaft (the blue arrow) which then engages the worm gear on the drive shaft (the green arrow) and causes that gear to disengage from the drive mechanism. This causes the generator to stop turning.

To reset the mechanism you have to pull the "RESET HANDLE". This drive mechanism is attached to the gearbox on the engine which means that it can only be done on the ground with the engine off

enter image description here

Sports Racer
  • 2,648
  • 13
  • 22
14

You have 3 questions:

  1. What exactly happens in the aircraft when disengaging the generators?
  2. What benefit does it have to be not able to engage them again?
  3. Is it only the B747 that works like that or also other Airliners?

What exactly happens in the aircraft when disengaging the generators?

As mentioned in the other answers:

  1. A solenoid removes a retention pin.
  2. This allows a spring-driven pawl to engage a worm gear on the drive input shaft.
  3. This causes the inner input shaft to disengage from the engine drive.
  4. Thus the generator drive rapidly coasts to a stop.

CSD emergency disconnect mechanism Source: k-makris.gr/AircraftComponents/CSD/C.S.D.htm


What benefit does it have to be not able to engage them again?

The primary reason to disconnect the generators is when some mechanical problem causes a risk of serious mechanical damage to them. From the Boeing 747-400 Abnormal Procedure ChecklistsWord Doc :

Condition: Low IDG oil pressure or high IDG oil temperature.
Crew Response:
        Affected GENERATOR DRIVE DISCONNECT switch PUSH.
        Note: This action prevents damage to the IDG.
        DRIVE DISC message is displayed.
        ELECT GEN OFF message is displayed.

A lesser reason might be to prevent a seized-up generator drive from adversely affecting an otherwise operable engine.

Since whatever caused the loss of oil (pressure) and/or overheating almost never can be corrected in the air, then there is no point in being able to reengage the generator drives in the air.

Furthermore, to provide that capability would require complex mesh gears, clutches, and mechanisms that would add considerable weight and more points of failure -- all to cover a contingency that is both rare and very unlikely to be critical (discounting sabotage).


Is it only the B747 that works like that or also other Airliners?

Most large jet aircraft use some form of Constant speed drive (CSD) to power their electrical generators, as the alternatives are not well suited to the large electrical demands of jetliners.
From Wikipedia, we see that newer Boeing and Airbus models use a single-case variant of this called an "IDG".

Brock Adams
  • 615
  • 6
  • 16
8

The button I was talking about is the "Drive Disc" button, circled in red here:

enter image description here

source: http://www.meriweather.com/flightdeck/747/over/elect.gif

This button mechanically disconnects the Integrated Drive Generator (IDG), a generator for providing electricity, from the engine. The button above it disconnects the IDG electrically from the buses, but keep the IDG connected to the engine (so it is spinning as the engine spins).

The disconnect button is pushed when there is reason to believe that continue operation of the generator may lead to engine damage, for example when there is a low oil pressure or high temperature indication of the IDG.

A similar configuration exists on Airbus as well, see for example this YouTube video where disconnecting the drive is part of a procedure for abnormal engine indications. As a result of disconnecting the drive, the electricity output of the plane is reduced.

reirab
  • 19,493
  • 2
  • 58
  • 136
kevin
  • 39,731
  • 17
  • 148
  • 278
  • Thanks! What can I imagine when you say "mechanically disconnects"? And why is it not reversible? – Noah Krasser May 31 '17 at 17:56
  • @NoahKrasser I cannot find a description to the disengage mechanism in either the Flight Crew Operations Menu, Flight Crew Training Manual & the Quick Reference Handbook, so the answer do that is probably in some maintenance handbook (which I do not have). – kevin May 31 '17 at 18:04
  • Ok, thanks for your effort! – Noah Krasser May 31 '17 at 18:38
  • But this didn't answer the "what happens " part of the question, but only the 747 vs Airbus part – user3528438 May 31 '17 at 19:00
  • 9
    @NoahKrasser "mechanically disconnects" often means "uses the sort of technology that an 18th-century engineer like James Watt might have invented". The final backup in a chain of protection devices needs to be very simple and very reliable. As Sports Racer's picture shows, you can't get much simpler and more reliable than "you yank a pin out of the drive gearbox, so the gear train irreversibly falls apart." – alephzero May 31 '17 at 21:10