The System you are referring to is described in ATA chapter 21. I will report here an example for A320
An overview of the system is reported below (from the ATA21 report):

What is the source of pressure reference?
In flight the outside pressure signal can be come from either:
- The Air Data Reference System (ADIRS), for the pressure altitude.
- The Flight Management and Guidance Computer (FMGC), for the landing elevation.
- If FMGC not available, uses the landing elevation from the ADIRS and the landing elevation
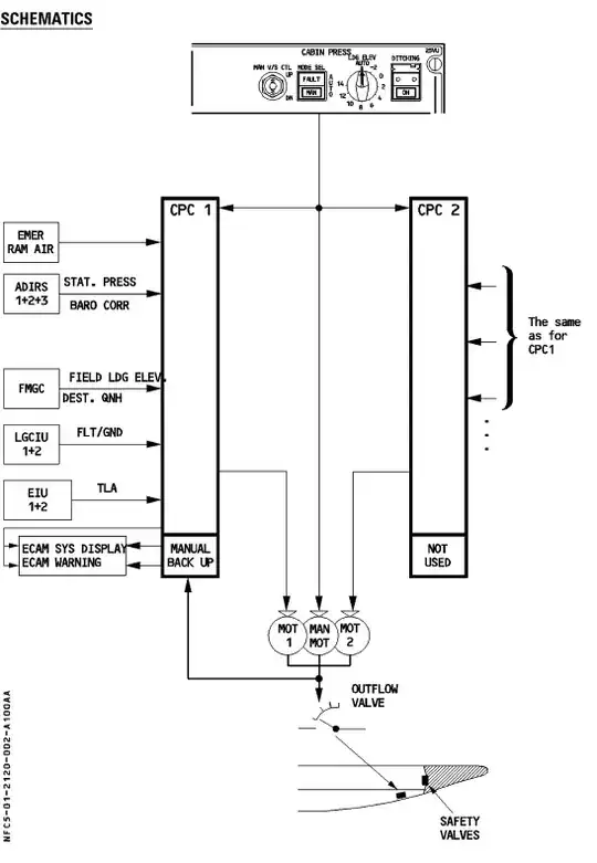
How the different valves (outflow, relief) and the packs are related to the CPC?
There are two independent safety valves controlled by two independent Cabin Pressure Controllers (CPC) and actuated by three independent motors.
The pressure in the cabin is controlled only with these valves, while the temperature of the cabin is controlled by mixing the air from the packs with the one of the cabin. In particular the valves are opened and closed to keep the desired pressure profile according to the logic dictated by the different flight phase.
.
Different constraint drive the controller:
- Cabin pressure at cruise altitudes is limited to an equivalent ISA pressure of 8000ft, due to structural fuselage requirements. By providing higher pressures levels (equivalent to lower ISA equivalent altitudes, e.g.: sea level) the fuselage would overstrain. A (very) simplified example of this is a balloon in a vacuum chamber.
- Maximum descent rate is kept under 750 ft/min for passenger comfort. Otherwise your internal ear starts hurting.
- At take-off on ground the cabin is de-pressurized till -0.1 psi with a max rate of 400ft/min to avoid pressure surge at rotation
When and how is used the manual control of the pressure?
Manual control of the pressure is used when both the CBC controllers fail or when the crew uses the cabin press control panel, that you showed. In case of aircraft ditching the inlets are closed as well with a ditching button (first image, right in the CABIN PRESS panel)