I've got a huge problem using an ESP8266 from a Wemos D1 mini.
I am using an STM32L073RZ to send a request to an ESP8266 to send me the time it has acquired from a WiFi connection.
ESP code:
#include <ESP8266WiFi.h>
#include <WiFiUdp.h>
#include <NTPClient.h>
#include <Wire.h>
// Zastąp poniższe wartości danymi Twojej sieci WiFi
const char* ssid = ":>>>>>>>>>>>";
const char* password = "NOPE";
#define Status D4
WiFiUDP ntpUDP;
NTPClient timeClient(ntpUDP, "europe.pool.ntp.org", 3600, 60000);
void setup() {
pinMode(D4, OUTPUT); // Pin odpowiedzialny za gotowość urządzenia do komunikacji przez I2C
digitalWrite(D4, LOW); // Ustawiamy go na początku na "0".
Serial.begin(9600);
WiFi.begin(ssid, password);
while ( WiFi.status() != WL_CONNECTED ) {
delay ( 500 );
Serial.print ( "." );
}
timeClient.begin();
Wire.begin(8); // Odpala D2 jako SDA i D1 jako SCL jako slave
Wire.onRequest(sendTime); // Rejestracja funkcji zwrotnej, która zostanie wywołana, gdy urządzenie nadrzędne zażąda danych
digitalWrite(D4, HIGH); // Tutaj konfiguracja z siecią jak i też konfiguracja z pinami i ustawienie I2C jest zakończone
// i sygnalizowane stanem wysokim na D4
}
void loop() {
timeClient.update();
Serial.println(timeClient.getFormattedTime());
delay(1000);
}
void sendTime() {
String time = timeClient.getFormattedTime();
Wire.write(time.c_str()); // Wysłanie czasu do urządzenia nadrzędnego będzie to razem 8 bajtów bo jeszcze znaki oddzielające.
}
STM simple code :
xD = HAL_I2C_Master_Receive(&hi2c2, 0x08<<1, czas, 8, 1000);
I tried everything. Adding pull ups, changing the GPIO speeds, etc.
Here is what my logic analyser gave me:
Still nothing. I've also checked which pins are the SDA and SCL which are D2 and D1. I've checked is the connection was correct and it should be, but still no response.
I don't know anymore what is wrong or what is not.
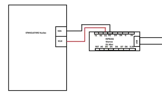
Schematic :
It is already powered so I didn't need to add 5 V and G pins to it, but I also tested with adding G pin to ground of the STM32, and also with 5 V to the 5 V of the STM32, but it still didn't work.

