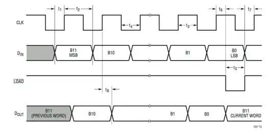
I am trying to talk to an LT1257 using an Arduino Nano Atmega328. I am not using the default slave select pin. I am using pin 5 as chip select for the DAC. The LT1257 data sheet shows this timing diagram. What I inferred from this diagram is that SCLK can be used to clock in the data and it remains in the shift register and is loaded into the DAC register only when Load is pulled low.

I wrote this snippet to load a 0x0000 to the DAC. However, when I probe the output voltage it is ~1.02V. The DAC uses an internal reference of 2.048V. So I think this must be the default 1/2*FS output when the DAC powers on. Please review my code and point the errors. (At the DAC output I have a 1k resistor connected to ground).
#include<SPI.h>
#define SCLK 13
#define MISO 12
#define MOSI 11
#define DAC_LOAD 5
#define DAC_SPI_CLOCK_SPEED 1000000 //Upto 1.4MHz
void setup()
{
Serial.begin(9600);
init();
SPI.begin();
dac_write();
}
void init()
{
pinMode(SCLK, OUTPUT);
pinMode(MOSI, OUTPUT);
pinMode(MISO, INPUT);
pinMode(DAC_LOAD, OUTPUT);
digitalWrite(SCLK, HIGH);
digitalWrite(MOSI, HIGH);
digitalWrite(DAC_LOAD, HIGH);
}
void dac_write()
{
SPI.beginTransaction(SPISettings(DAC_SPI_CLOCK_SPEED, MSBFIRST, SPI_MODE0));
delay(10);
SPI.transfer(0x0000);
delay(10);
digitalWrite(DAC_LOAD, LOW);
delay(10);
digitalWrite(DAC_LOAD, HIGH);
delay(10);
SPI.endTransaction();
}
void loop()
{
while(1)
{
Serial.println("Ping!");
delay(1000);
}
}