There are two main types of seven segment display:
- Common Anode
- Common Cathode
The common refers to the fact that one end of the LEDs within a digit are linked, and need to be connected to either Vcc or GND, depending on the type of the display (see below). The other end of each led (one per segment) is used to switch them on, and it is these that go to the Arduino pins, or LED controller.
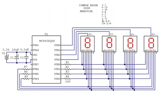
Common Anode

The common end is connected to the Vcc line. If you wish to light a segment, then the input pin for that segment needs to be pulled LOW.


Source: Four multiplexed 7-segment COMMON ANODE LED
Common Cathode

The common end is connected to the GND line. If you wish to light a segment, then the input pin for that segment needs to be pulled HIGH.

It sounds as if you have the logic inverted, so the wrong segments are lit, when they should be dark, and vice versa.
Either that, or you need to invert the logic in your code, and for example if you are currently pulling a pin LOW to light up a segment, then you need to change your code to pull the pin HIGH.
Image sources:
Electronics-Tutorials
Common Anode/Cathode 7-segment displays