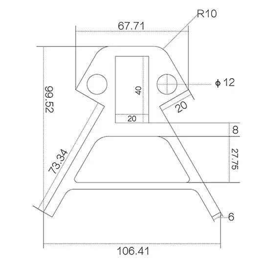
I want to draw a corner piece for a Kossel delta 3D printer in Fusion 360 for 2040 aluminum extrusions like in the picture below, but I can't find a way to actually start. I draw a 3-sided polygon and a 20x40 mm rectangle but don't know where to go from there. Do you have any suggestions?
2 Answers
I attempted to create your drawing but discovered that an important set of parameters is missing. You have to have either the intersection point of the legs (73.34) from each side or the angle between the legs (73.34) and the base (106.41) to create construction lines. Once you have either of those items, you can construct the remainder of the design using offsets, radii, etc.
More accurately, one other missing item that would be required to complete this design is the placement of the holes at the top (12) relative to some other feature of the design.
Having taken on the challenge of your drawing, I've found that it is necessary to surrender. The angles or the intersection point are critical and without them, no solution comes to my alleged mind.
I have also discovered one additional datum missing. The distance of the bottom truss and the thickness of this truss would be required to provide a more certain solution.
One the flip side, I've found alpha-tech3d.com which appears to include similar parts, rotated 180° with what appears to have all of the necessary data.

- 12,060
- 1
- 13
- 26
I love me a challenge so I just hacked this together: (a half waiting for mirror)
As for strategy, I simply used the line tool to do a basic shape and then went to town with constraints and dimensions to see what I end up with. Can't fail.
Clearly, you're missing information to constraint the sketch fully, but if you have the extrusions and the machine, you could just print a few tests to guess the missing values.
(Like precise position of the circles, of the 20x40 rectangle...)
You can download/ view my fusion model here: http://a360.co/2gJsdxB
Good luck.
- 206
- 1
- 5

